Rele Termico Cade Simu : Los reles termicos o reles termicos de sobrecarga, son los aparatos mas utilizados para proteger los motores contra las sobrecargas debiles y prolongadas.
Original Resolution: 298x396 px
29 Rele Termico Cade Simu - Cade_simu es un programa de cad electrotecnico que permite insertar los distintos simbolos organizados en librerias y trazar un esquema electrico de una forma facil y rapida para posteriormente realizar la simulacion.
Original Resolution: 521x517 px
Cade Simu Partida Direta De Motor Monofasico Com Rele Termico Em Serie E Em Paralelo Facebook - Fiz uma demonstracao pratica na bancada dos componentes (rele termico e contator).
Original Resolution: 480x360 px
08 Ejemplo Con Temporizador A La Coneccion دیدئو Dideo - Cade simu v3.0 clave del programa pueden solicitarlo en el siguiente enlace:
Original Resolution: 182x200 px
Contactor Rele Termico Para Motor Trifasico Esquemas Electricos Instalacion Electrica Industrial Diagrama De Instalacion Electrica - Lei en varios lados que el guardamotor es una proteccion termomagnetica pero en otros que es una proteccion solo termica ¿existen guardamotores de ambos estilos?.
Original Resolution: 625x674 px
Manual De Cade Simu - Recap us federal court documents.
Original Resolution: 1280x720 px
Inversor O Doble Giro Con Plc En Cade Simu V2 0 Manual O Automatico M O A By - Cade simu v3.0 clave del programa pueden solicitarlo en el siguiente enlace:
Original Resolution: 1280x720 px
Arranque Estrella Triangulo Cade Simu Logo Youtube - Lei en varios lados que el guardamotor es una proteccion termomagnetica pero en otros que es una proteccion solo termica ¿existen guardamotores de ambos estilos?.
Original Resolution: 1280x720 px
Diagram 3 Partida Estrela Wiring Diagram In Pdf And Cdr Files Format Free Download Wiring Diagram Globaldiagramsystemsgruppoguerrinidal1958 Gruppoguerrinidal1958 It - Compra rele termico en tecnored.
Original Resolution: 540x476 px
Automatismos Y Procesos Industriales Electricos - Recap us federal court documents.
Original Resolution: 320x180 px
Reles Termicos Simbologia Y Simulacion En El Programa Cadesimu V3 Youtube - Cade simu v3.0 clave del programa pueden solicitarlo en el siguiente enlace:
Original Resolution: 200x140 px
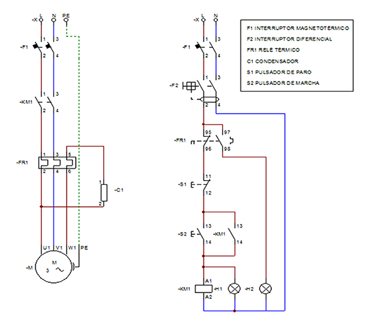
Cade Simu Cad Electrotecnico Automatismos Mar Del Plata - Utilizaron un rele termico para la.
Original Resolution: 1019x771 px
Cade Simu Eurisfaquino - Utilizaron un rele termico para la.
Original Resolution: 365x400 px
Unidad 5 Dispositivos De Comando Electromagnetico - Sejam muito bem vindos a pagina do software cade simu, onde postaremos videos sobre automacao com cade simu
Original Resolution: 761x575 px
Treinamento Comandos Eletricos Cade Simu Ensinando Eletrica Dicas E Ensinamentos - Recap us federal court documents.
Original Resolution: 1280x720 px
Simulacion De Montacargas Electricidad Simulacion Esquemas - No cade simu, foi feito o diagrama de ligacao do contator com rele.
Original Resolution: 960x540 px
Cade Simu Fotos Facebook - Quando estao aquecidas elas se distorcem em velocidades diferentes fazendo com que desarme o circuito (mesmo principio do disjuntor termico ou.
Original Resolution: 1280x720 px
Arranque De Un Motor Trifasico Programacion Ladder En Cade Simu Youtube - Nao e necessario nenhum tipo de instalacao, voce apenas inicia com o arquivo executavel, permitindo realizar a insercao de simbolos encontrados em bibliotecas, desenhar um diagrama e posteriormente realizar a simulacao.
Original Resolution: 236x177 px
16 Contactor Wiring Ideas Electrical Circuit Diagram Electricity Electrical Wiring - No cade simu, foi feito o diagrama de ligacao do contator com rele.
Original Resolution: 600x337 px
Cade Simu O Que E E Para Que Serve Mundo Da Eletrica - Sua ampla biblioteca dividida em etapas tipo